全国服务热线400-990-7385
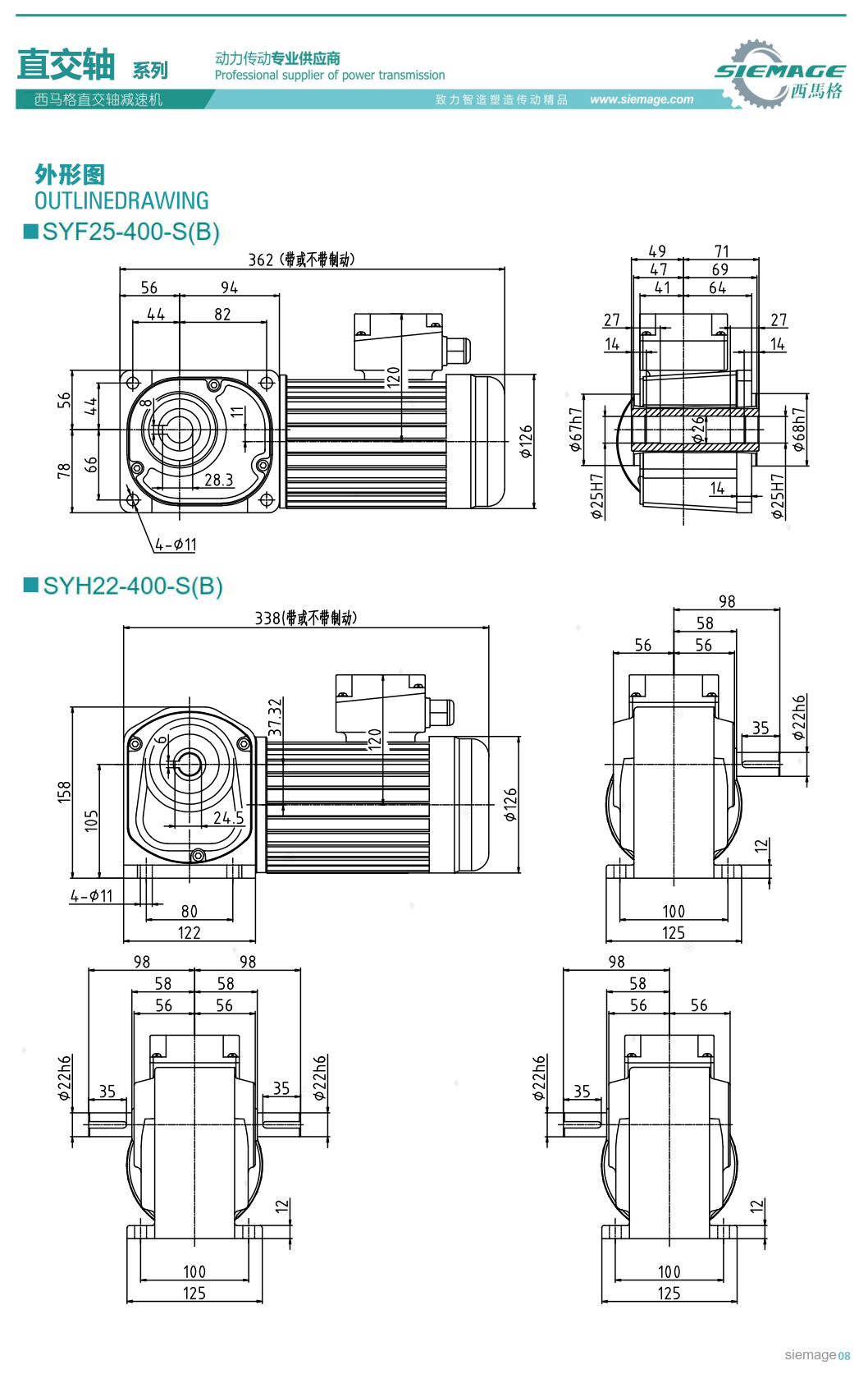
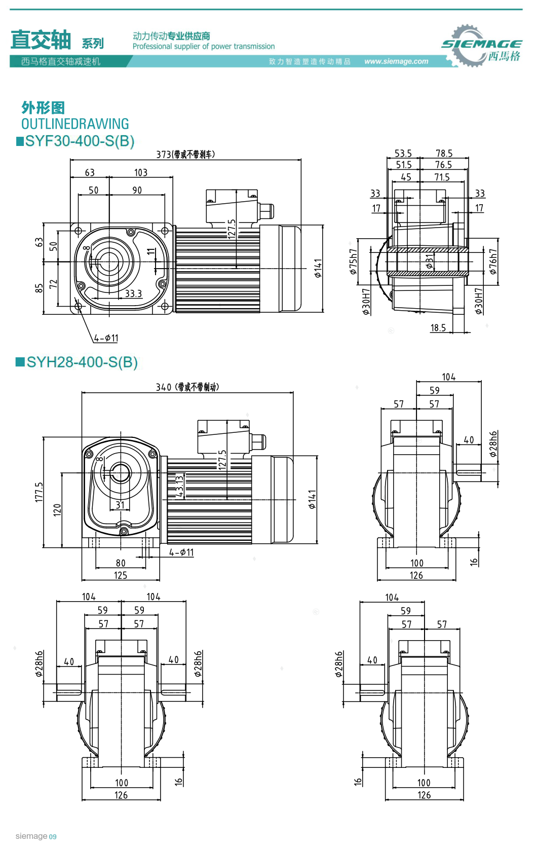
SY西马格直交轴减速器的减速比共有17种类
5、7.5、10、12、15、20、25、30、40、50、60、80、100、120、160、
200、 240
可根据用途,从直交轴齿轮减速器(中空轴、中实轴)的各输出轴中选择最适合的产品.
欢迎特殊开发订制各种直交轴齿轮减速器 www.siemage.com
西马格动力科技有限公司
全 国 热线:400-990-7385邮编:511400
浙江西马格:18357212618
福建西马格:18160919225
广东西马格:18302020760
邮箱:postmaster@siemage.com网 址:http://www.siemage.cn
快速链接
>网站首页 > 关于我们 > 公司概况
> 下载中心 > 新闻资讯 > 联系我们
Copyright © 2008 西马格动力科技有限公司 All Rights Reserved. 粤ICP备2003022145号
粤公网安备 44011302003923号